- Description
- Specification
- Reviews
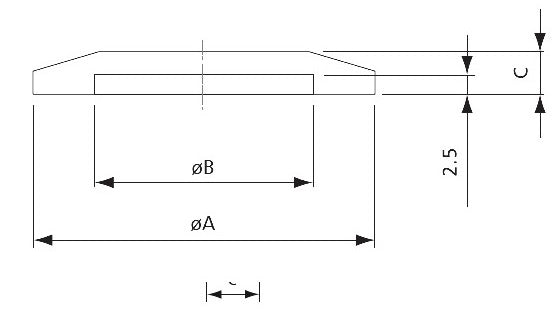
These KF-type blank flanges follow KF standards and have different flange sizes from KF-16 to KF-50. They are commonly used to build fore-line vacuum plumbing and process systems. Because they are simple to put together, they are frequently referred to as quick flange fittings. A circumferential clamp and centring ring creates the vacuum seal between the connecting flanges. An O-ring made of rubber elastomer is part of the centring ring. Quick flange fittings come in the following standard sizes: KF-10, KF-16, KF-25, KF-40, and KF-50. They are made up of corrosion-resistant stainless steel. KF Blank Flange \n
| Part No. | Size | \n
A
|
\n
B
|
Material |
| EV01001 | KF10 | 30 | 12.2 | 304 S.S. |
| EV01002 | KF16 | 30 | 17.2 | 304 S.S. |
| EV01003 | KF25 | 40 | 26.2 | 304 S.S. |
| EV01004 | KF40 | 55 | 41.2 | 304 S.S. |
| EV01005 | KF50 | 75 | 52.2 | 304 S.S. |
100% Original and Quality
24 Months Guarantee
Recently Viewed
Choose Ezzi Vision
Vacuum, Lithography, Thin-Film Experts
Experience top-tier repair and maintenance services for glovebox and vacuum equipment, backed by industry expertise across Australia.
Contact Us



