- Description
- Specification
- Reviews
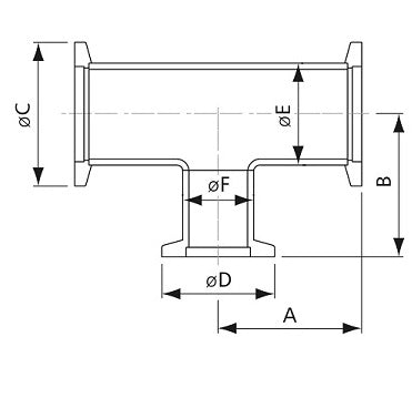
These KF-KF Tee Reducer fittings follow KF standards. They are commonly used to build foreline vacuum plumbing and process systems. They are often called quick flange fittings because they are quick to assemble. A circumferential clamp and centering ring form the vacuum seal between the connecting flanges. The centering ring contains a rubber elastomer o-ring. The standard sizes for quick flange fittings are KF-10, KF-16, KF-25, KF-40, and KF-50. They are made of corrosive-resistant stainless steel. \n
|
Size | Material | A | B | C | D | E | F | |
| EV01051 | KF25/16 | 304 S.S. | 50 | 40 | 40 | 30 | 25.4 | 19.05 | |
| EV01052 | KF40/16 | 304 S.S. | 65 | 40 | 55 | 30 | 38.1 | 19.05 | |
| EV01053 | KF40/25 | 304 S.S. | 65 | 50 | 55 | 40 | 38.1 | 25.4 | |
| EV01054 | KF50/16 | 304 S.S. | 70 | 50 | 75 | 30 | 50.8 | 19.05 | |
| EV01055 | KF50/25 | 304 S.S. | 70 | 65 | 75 | 40 | 50.8 | 25.4 | |
| EV01056 | KF50/40 | 304 S.S | 70 | 65 | 75 | 55 | 50.8 | 38.1 |
100% Original and Quality
24 Months Guarantee
Recently Viewed
Choose Ezzi Vision
Vacuum, Lithography, Thin-Film Experts
Experience top-tier repair and maintenance services for glovebox and vacuum equipment, backed by industry expertise across Australia.
Contact Us



